 |
 |
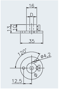
Монтажный фланец MF4
Для канальных датчиков температуры AKF10 и KFK01
с диаметром гильзы 4mm
> О цинкованная латунь
> Максимальная температура до +130°C |
| |
|
|
 |
 |
Монтажный фланец MF6
для кабельного температурного датчика TF25
> Оцинкованная латунь
> Максимальная температура до +130°C |
| |
|
|
 |
 |
Монтажный фланец MF7
Для канальных датчиков температуры AKF10 и KFK01
с диаметром гильзы 7mm
> Оцинкованная латунь
> Максимальная температура до +130°C |
| |
|
|
 |
 |
Монтажный фланец MF7PA
Для канальных датчиков температуры AKF10 и KFK01
с диаметром гильзы 7mm
> Полиамид PA6.6, цвет черный
> Максимальная температура до +130°C |
| |
|
|
 |
|
Монтажный фланец MF7 flexibel
Для канальных датчиков температуры AKF10, TF14, TF25 и KFK01
с диаметром гильзы 7mm и адаптером для 6мм и 4мм
> Полиамид PA6.6, цвет черный
> Максимальная температура до +130°C |
| |
|
|
 |
 |
Монтажный фланец с прижимной гайкой MF8
для канального датчика температуры KFK03
> Нержавеющая сталь 1.4541
> Прижимное кольцо из тефлона
> Максимальная температура до +200°C |
| |
|
|
| |
ДЛЯ AKF10, KFK01, KFK03, TF25
|
PG1 |
| |
MF4 |
|
|
102438 |
|
| |
MF6 |
|
|
3407 |
|
| |
MF7 |
|
|
102360 |
|
| |
MF7 Flexible |
|
|
399098 |
|
| |
MF7PA |
|
|
7368 |
|
| |
MF8 |
|
|
103305 |
|
|